2020+ Sierra and Silverado Multipro Tailgate Wiring

In 2023, I was one of the first to swap my rusty 2008 Sierra bed for a 2020 Sierra Denali bed. Two things about this bed need work, the fender flares and the Multipro tailgate. Here are the wires you need to tap into to use the Auxbeam controller for your conversion.

Auxbeam RA80 Controller: https://auxbeam.com/collections/switch-panel-8-circuits-8-gang/products/qp009118

YouTube Link:

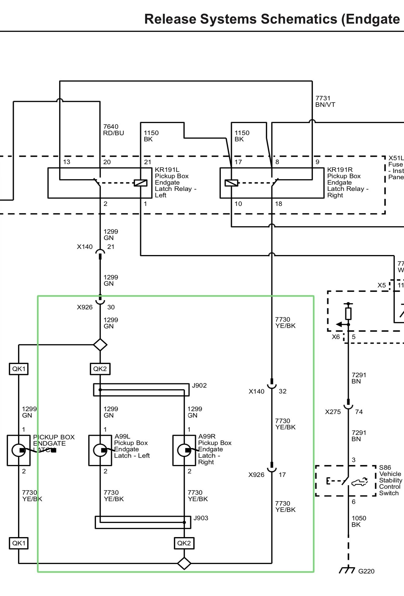
Endgate Schematic:

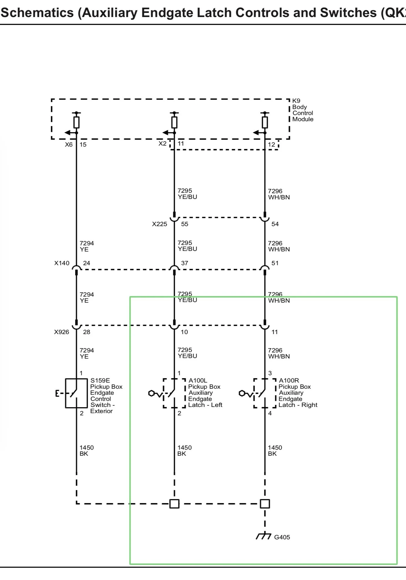
Midgate / Auxillary Tailgate Schematic:

Previous
Previous

Supercharged Build List